Toutes les catégories
Contactez-nous
Chauffage d'air portable

Chauffage d'air portable

Page d’accueil >   >  Chauffage d'air portable

JP Chauffage diesel portable à génération d'électricité intégrée, rigoureusement sélectionné, pour véhicules récréatifs (RV) et chauffage de stationnement, adapté aux tentes et aux camping-cars



  • Introduction
  • Plus de produits
  • Demande de renseignements
Introduction
Description des produits
Cet appareil portable génère de manière autonome de l’électricité pour soutenir le processus de combustion, ce qui fournit à l’utilisateur un apport continu de chaleur
L’énergie électrique générée pendant le fonctionnement de l’appareil (sans nécessiter de connexion à une source d’alimentation externe) permet d’assurer des performances stables de l’appareil
Les avantages de l’appareil sont sa petite taille, son faible poids, l’absence de flamme nue et son niveau sonore réduit, ce qui élargit considérablement le champ d’application du chauffage

Préparation avant utilisation

1. Avant d’utiliser cet équipement, installez la batterie chargée en respectant les repères + et – indiqués sur le compartiment à batterie afin de garantir un allumage normal du chauffage
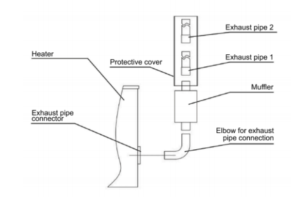
2. Installez correctement le conduit d’évacuation des fumées sur le chauffage, comme indiqué à la figure 3. Commencez par raccorder le conduit d’évacuation des fumées à la bride coudée, insérez une extrémité de la bosse dans l’interface de conduit d’évacuation des fumées du chauffage, puis faites-la pivoter de 90 degrés dans le sens horaire pour la fixer. Installez ensuite le silencieux et les deux conduits d’évacuation des fumées un par un, puis placez les deux couvercles de protection sur le silencieux. Si le chauffage est utilisé dans une cabine étanche à l’air, les gaz d’échappement doivent être évacués à l’extérieur de la cabine à l’aide de la connexion murale fournie en accessoire.
3. Si le chauffage est placé à l’extérieur de l’espace à chauffer, installez les conduits d’air d’admission et de sortie comme indiqué à la figure 4, insérez
les raccords des conduits d’air d’admission et de sortie respectivement dans les orifices d’admission et de sortie du chauffage, puis faites-les pivoter et verrouillez-les.
afin d'éviter les pertes de chaleur, il est nécessaire de placer le jeu d'isolation de sortie d'air sur la sortie d'air
 Mode de contrôle
Taille du produit

Demande de renseignements